| Доступность: | |
|---|---|
| Количество: | |
2В130-15
ВААЛПК
8481100090
Конструкция с пилотным управлением. Этот 2/2-ходовой мембранный электромагнитный клапан с пилотным управлением отличается низким энергопотреблением и большой пропускной способностью, что делает его идеальным для применений со средним и высоким расходом.
Низкое пусковое давление. Рабочий перепад давления составляет < 0,05 МПа, что обеспечивает надежную работу даже в условиях низкого давления.
Прочный латунный корпус. Корпус клапана изготовлен из жаростойкой латуни с травлением поверхности, что обеспечивает отличную коррозионную стойкость и длительный срок службы в суровых условиях.
Высокая пропускная способность. Благодаря диаметру отверстия 13 мм и значению Cv 6,2 он обеспечивает превосходную пропускную способность для воздуха, воды и масла.
КОД ЗАКАЗА

ТЕХНИЧЕСКАЯ СПЕЦИФИКАЦИЯ
Модель |
2В025-06 |
2В025-08 |
2В130-10 | 2В130-15 | 2В250-20 |
2В250-25 |
| Рабочая среда | Воздух/Вода/Масло | |||||
| Режим действия | Режим действия | Тип прямого привода | Тип направляющей |
|||
| Тип | Нормальный закрытый тип | |||||
| Апертура расхода (мм) | 2.3 | 13 |
25 | |||
| Значение резюме | 0.18 | 6.2 |
13 |
|||
| Размер порта | 1/8 | 1/4 | 3/8 | 1/2 | 3/4 | 1 |
| Вязкость жидкости | Ниже 20CST |
|||||
| Рабочее давление | Воздух, вода, масло: 0~7(кгс/см 2) |
Воздух, вода, масло: 0,5~7 (кгс/см 2) | ||||
| Макс. Сопротивление давлению | 12(кгс/см 2) | 10,5 (кгс/см 2) |
||||
| Температура | -10~80℃ | |||||
| Диапазон рабочего напряжения | ±10% | |||||
| Вес (кг) | 0.217 | 0.203 | 0.538 | 0.506 | 1.455 | 1.324 |
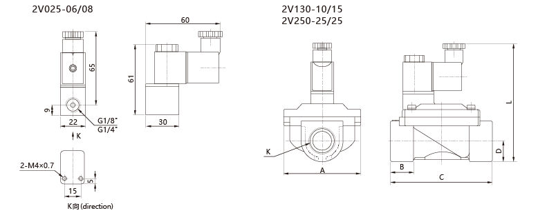
СТРУКТУРА И РАЗМЕРЫ (ММ)

| Модель | А | Б | С | Д | К | К(ПТ) |
| 2В130-10/15 | 48 | 14 | 66 | 13 | 101 | 3/8 дюйма 1/2 дюйма |
| 2В250-20/25 |
78 | 18 | 103 | 22 | 118 | 3/4' 1' |