1. High Guiding Precision: Features a unique three-guide groove structure, which ensures stable and accurate rotation and clamping, contributing to precise positioning.
2. Durable Construction & Long Life: The piston rod is made of special alloy steel and undergoes heat treatment, enhancing its wear and corrosion resistance for an extended service life.
3. Reliable Sealing: Optimized seal materials ensure consistent and reliable performance under various operating conditions, reducing the risk of failure.
4. Flexible Configuration: Offers versatile options including single-sided or double-sided (for 90°) operation, as well as different rotation angles and directions to suit diverse application needs.
ORDERING CODE

SPECIFICATION
Inner Diameter(mm) | 25 | 32 | 40 | 50 | 63 |
| Working Medium | Air(Filtered through a filter screen of 40um or more) | ||||
| Operating Pressure Range | 0.15-1.0MPa(22-145psi) | ||||
| Working Temperature | -20-70℃ | ||||
| Usage Speed Range(mm/s) | 50-200 | ||||
| Rotation Angle Tolerance Range | ±1.5° | ||||
| Pipe Connection Diameter | M5x0.8 | PT1/8 | |||
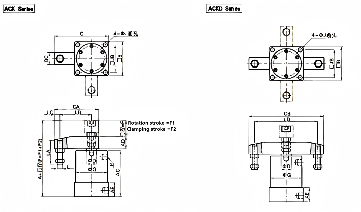
OVERALLDIMENSION&STRUCTURE

| Cylinder Diameter | A | AC | AD | AE | B | BC | C | CA | CB | D | F(90°/180°) | F1(90°) | F1(180°) | F2(90°) | F2(180°) | G | J | JB | L | LA | LB | LC | LD | P |
| 25 | 85 | 65 | 16 | 23 | 40 | 16 | 58 | 48 | 76 | 14 | 26 | 14 | 20 | 12 | 6 | 35 | 4.5 | 30 | M6x1.0 | 29.5 | 30 | 8 | 60 | M5x0.8 |
| 32 | 95 | 73 | 19 | 23 | 54 | 19 | 86 | 70 | 118 | 16 | 26 | 14 | 20 | 12 | 6 | 50 | 6.5 | 44 | M8x1.25 | 37.5 | 50 | 9 | 100 | PT1/8 |
| 40 | 97 | 74 | 19 | 26 | 58 | 19 | 88 | 70 | 118 | 16 | 27 | 15 | 21 | 12 | 6 | 55 | 6.5 | 48 | M8x1.25 | 37.5 | 50 | 9 | 100 | PT1/8 |
| 50 | 109.5 | 80 | 25.5 | 26 | 68 | 25.5 | 114 | 93 | 160 | 20 | 29 | 15 | 21 | 14 | 8 | 60 | 8.5 | 55 | M10x1.5 | 45 | 70 | 10 | 140 | PT1/8 |
| 63 | 115.5 | 86 | 25.5 | 30 | 82 | 25.5 | 121 | 93 | 160 | 20 | 29 | 15 | 21 | 14 | 8 | 70 | 8.2 | 64 | M10x1.5 | 45 | 70 | 10 | 140 | PT1/8 |