| Availability: | |
|---|---|
| Quantity: | |
LT23JD-8
WAALPC
8481100090
Rapid Response for Efficiency: The valve's design, featuring a piston-type cone surface seal and short stroke, contributes to a fast switching action. This quick response (e.g., action time ≤ 0.2 seconds) helps minimize medium retention and is crucial for efficient and high-speed automation cycles.
Reliable Sealing and Material Choice: The use of soft seal materials like PTFE or FKM ensures a low leakage rate, enhancing the valve's reliability and efficiency in systems where medium loss is critical. The 304 stainless steel valve body offers good resistance against corrosion and is suitable for various industrial environments.
Built for Demanding Environments: With features like an IP65 protection rating (making it dust-tight and protected against water jets) and options for explosion-proof configurations, this valve is designed to operate reliably in challenging and hazardous industrial settings.
ORDERING CODE

DATA SHEET
| Model | LT23JD-8P | LT23JD-8P2 | LT23JD-15P | LT23JD-15P2 |
| Joint Pipe Bore | 8mm | 15mm | ||
| Working-pressure | 0.15~2.4Mpa | |||
| Change-way Time | ≤0.04s | ≤0.08s | ||
| Effective Sectional Area | ≥20mm2 | ≥50mm2 | ||
| Operating Temperature | -10~55℃ | |||
| Medium Temperature | -5~50℃ | |||
| Service life | ≥150 | |||
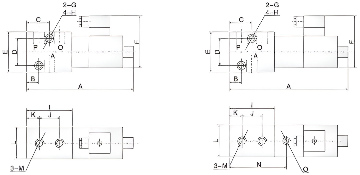
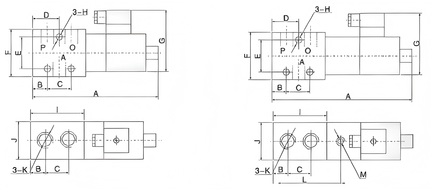
STRUCTURE
LT23JD-8P LT23JD-8P2

LT23JD-15P LT23JD-15P2
