| Availability: | |
|---|---|
| Quantity: | |
NTP25
WAALPC
8501109990
Linear Piston Impact Principle: The core mechanism involves a freely oscillating differential pressure piston. In its standard configuration, the piston strikes an elastic impact plate, generating a sharp, rubber mallet-like impact that effectively breaks material bridges and adhesion.
Precise and Adjustable Performance: Users gain exceptional control as both the frequency and amplitude of the vibration can be adjusted independently. The frequency is regulated by changing the air supply pressure, while the amplitude is modified by throttling the exhaust.
High-Force Output: Designed for heavy-duty tasks, the series offers a wide range of centrifugal force, from approximately 69 N (19 lbs) up to 2,039 N (255 lbs), capable of handling everything from fine powders to dense aggregates.
Durable and Low-Maintenance Design: These vibrators are built for longevity with features like a fully sealed housing suitable for high-washdown environments. They are capable of operating without lubrication and are constructed from materials like aluminum or stainless steel for corrosion resistance.
DATA SHEET
| Model | Frequency/minute | centrifugal force(N) | Air sonsumption | ||||
| 0.2MPa | 0.4MPa | 0.6MPa | 0.2MPa | 0.4MPa | 0.6MPa | L/min | |
| NTP25 | 3250 | 4000 | 4850 | 265 | 550 | 865 | 33-108 |
| NTP32 | 2550 | 3080 | 3560 | 350 | 850 | 1550 | 50-198 |
| NTP48 | 1880 | 2350 | 2850 | 450 | 1050 | 1750 | 96-336 |
Parameter conversion: 1 kilogram=9.8 newtons
[Note]Although the vibration force parameter of the NTP series piston reciprocating vibrator is not the rotational centrifugal force, the actual force used will not be smaller than the rotational centrifugal force because the piston reciprocating vibrator directly outputs power.
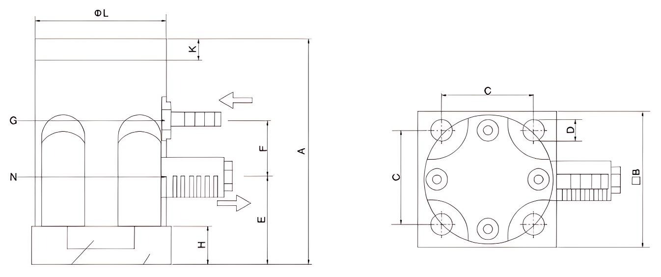
OVERALLDIMENSION&STRUCTURE

| Model | A(mm) | B(mm) | C(mm) | D(mm) | E(mm) | F(mm) | G | H(mm) | K(mm) | L(mm) | N | Weight |
| NTP25 | 93 | 60 | 46 | 6.5 | 36 | 14.5 | G1/8 | 15 | 8 | 57 | G1/8 | 0.61kg |
| NTP32 | 145 | 75 | 51 | 11 | 48 | 32 | G1/4 | 20 | 10 | 68 | G1/4 | 1.47kg |
| NTP48 | 192 | 100 | 78 | 13 | 60 | 51 | G3/8 | 25 | 15 | 92 | G3/8 | 3.95kg |