| Availability: | |
|---|---|
| Quantity: | |
MXJ
WAALPC
8409919990
Compact and Lightweight Design: The MXJ series is designed for space-saving automation equipment. For example, an MXJ model with a 12mm bore and 30mm stroke has a height of just 18 mm, a width of 34 mm, and weighs approximately 267g. The MXJ4 model is even more compact, with a height of 10 mm and a width of 20mm.
High Rigidity and Precision: The integration of the front mount and table ensures high rigidity . It incorporates a high-precision linear slide guide, which enables a remarkably low movement parallelism of 0.005 mm and a mounting parallelism of 0.03 mm, making it suitable for precision tasks.
Convenient Installation and Sensing:
Magnetic reed switches and adjusters can be mounted on the same side of the cylinder, simplifying installation and setup.
The series supports the installation of two rows of magnetic reed switches.
It features an axial pipe connection and a symmetrical shape, offering flexibility in system layout.
Short Interval Mounting: The design allows for installation with short intervals between multiple cylinders, which is beneficial for high-density machinery layouts.
ORDERING CODE

SPECIFICATION
| Model | MXJ4 | MXJ6 | MXJ8 |
| Bore size(mm) | 4.5 | 6 | 8 |
| Piping port size | M3x0.5 | ||
| Fliud | Air | ||
| Action | Double acting | ||
| Operating pressure | 0.15 to 0.7 MPa | ||
| Proof pressure | 1.05 MPa | ||
| Ambient and fluid temperature | -10 to 60℃ | ||
Operating speed range (Average operating speed)Note) | 50 to 500mm/s (Metal stopper: 50 to 200mm/s) | ||
| Cushion | Rubber bumper (Metal stopper: Without cushion) | ||
| Lubrication | Non-lube | ||
| Stroke adjusting range (metal stopper) | Both ends each 0 to 5mm | ||
| Auto switch | Reed auto switch (2-wire, 3-wire) Solid state auto switch (2-wire, 3-wire) 2-color indicator solid state auto switch (2-wire, 3-wire) | ||
| Stroke length tolerance (mm) | +1 0 | ||
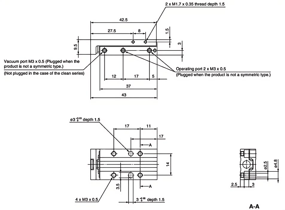
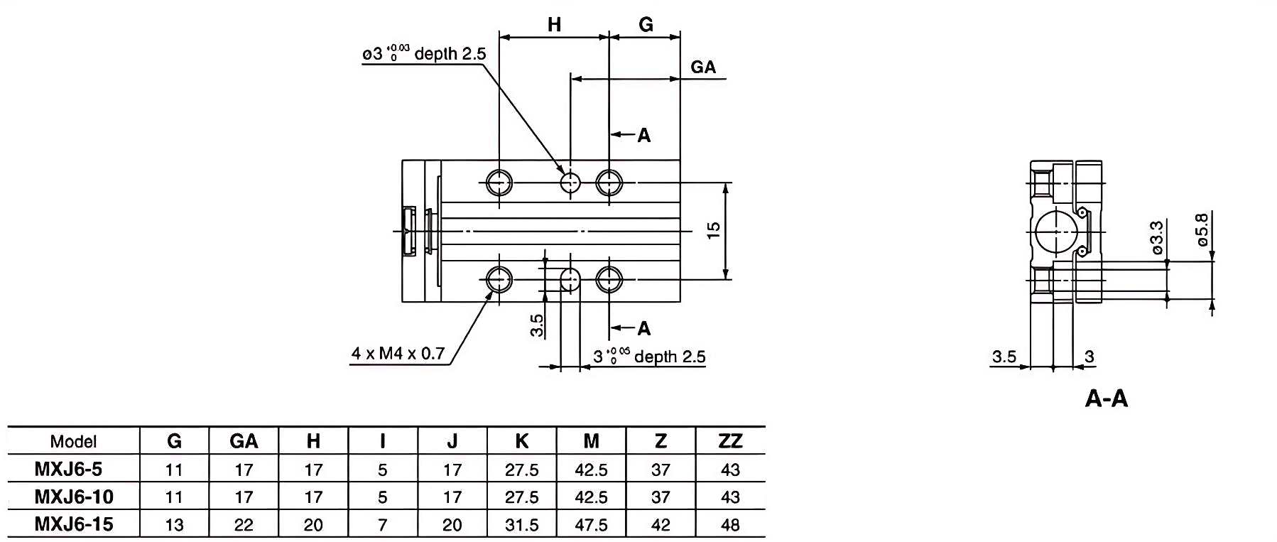
OVERALLDIMENSION&STRUCTURE





