| Availability: | |
|---|---|
| Quantity: | |
C85N20
WAALPC
8409919990
1. Compact and Robust Design: Featuring a round body and construction with a stainless steel barrel and piston rod, along with double-swaged anodized aluminum end caps , these cylinders are both durable and corrosion-resistant.
2. Enhanced Functionality and Easy Installation:
Pre-equipped Accessories: Many models come with mounting brackets, rod-end fittings, and magnetic switches as standard, which helps reduce assembly time and labor.
Transparent Switch Bracket: The magnetic switch bracket is transparent, allowing for easy visual confirmation of the switch's status.
Easy Adjustment: Magnetic switches can be easily micro-adjusted along the cylinder body for precise position detection.
3. High Performance: A low-friction design enables high-speed operation up to 1500 mm/s. The cylinders also feature excellent dust resistance, making them suitable for demanding environments.
ORDERING CODE

SPECIFICATION
| Bore(mm) | 8 | 10 | 12 | 16 | 20 | 25 | |
| Type | Pneumatic | ||||||
| Action |
Double acting, Single rod | ||||||
| Fluid | Air | ||||||
| Proof pressure |
1.5MPa | ||||||
| Max. operating pressure | 1.0MPa | ||||||
| Min. operating pressure |
Rubber bumper | 0.1MPa | 0.08MPa | 0.05MPa | |||
| Air cushion | - | 0.08MPa | 0.05MPa | ||||
| Ambient and fluid temperature | Without auto switch: -20℃ to 80℃(No freezing) | ||||||
| With auto switch: -10℃ to 60℃(No freezing) | |||||||
| Stroke length tolerance |
+1.0mm |
+1.4mm |
|||||
| Piston speed | 50 to 1500 mm/s | ||||||
| Cushion | Rubber bumper | ||||||
| - | Air cushion |
||||||
| Allowable kinetic energy |
Rubber bumper | 0.02J | 0.03J | 0.04J | 0.09J | 0.27J | 0.4J |
| Air cushion | - | 0.17J | 0.19J | 0.4J | 0.66J | 0.97J | |
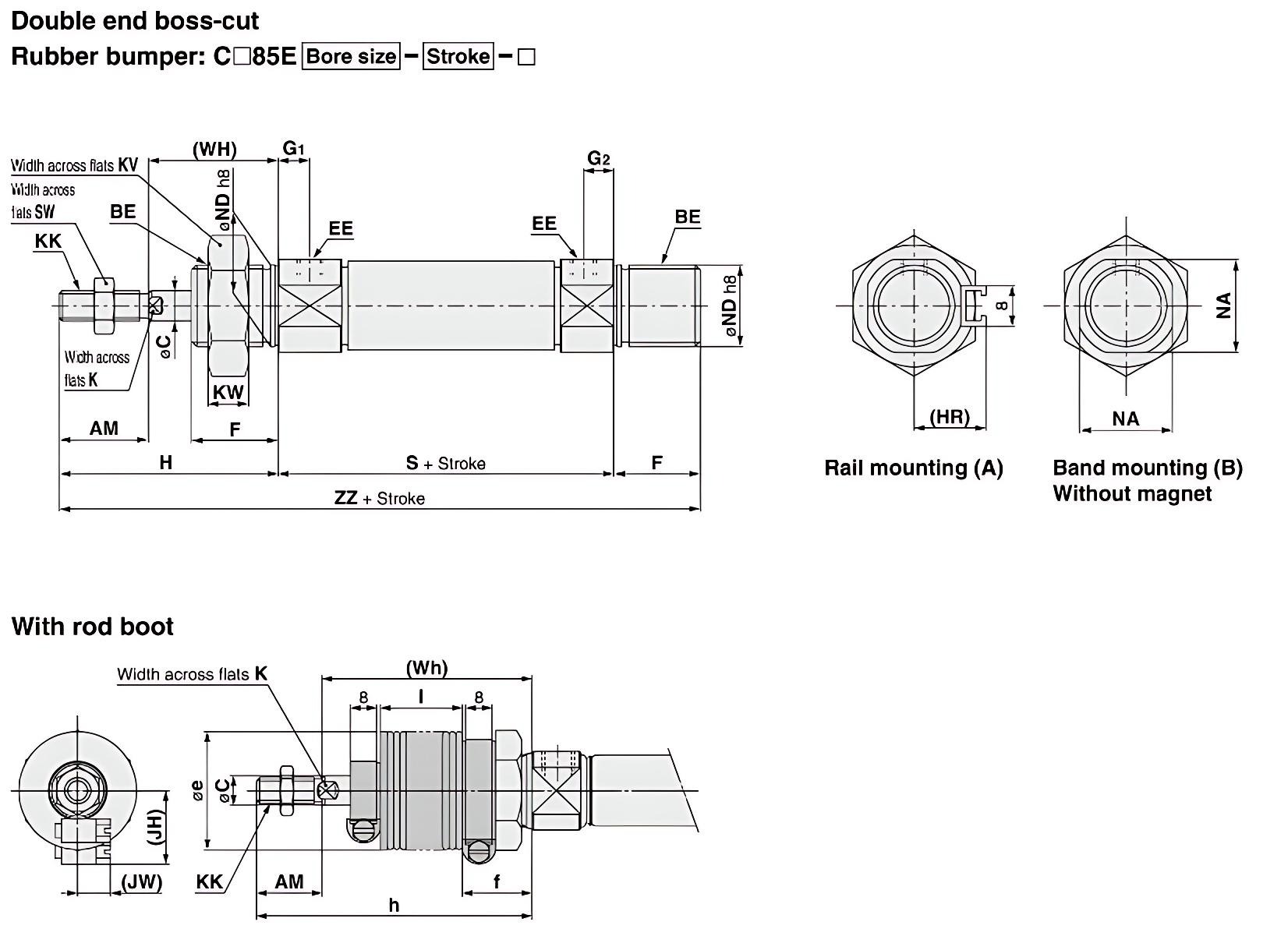
OVERALLDIMENSION&STRUCTURE

mm
| Bore Size | AM | BE | C | CD | EE | EW | F | G1 | G2 | H | (HR) | K | KK | KV | KW | NA | ND | RR | S | SW | U | WA | (WH) | (XC) | Z | ZZ |
| 8 | 12 | M12X1.25 | 4 | 4 | M5X0.8 | 8 | 12 | 7 | 5 | 28 | 13.4 | - | M4X0.7 | 19 | 6 | 15 | 12 | 10 | 46 | 7 | 6 | - | 16 | 64 | 76 | 86 |
| 10 | 12 | M12X1.25 | 4 | 4 | M5X0.8 | 8 | 12 | 7 (5.5) |
5 (5.5) |
28 | 14.2 | - | M4X0.7 | 19 | 6 | 15 | 12 | 10 | 46 (53) |
7 | 6 | 10.5 | 16 | 64 (71) |
76 (83) |
86 (93) |
| 12 | 16 | M16X1.5 | 6 | 6 | M5X0.8 | 12 | 17 | 8 (5.5) |
6 (5.5) |
38 | 14.2 | 5 | M6x1 | 24 | 8 | 18.3 | 16 | 14 | 50 (54) |
10 | 9 | 9.5 | 22 | 75 (79) |
91 (95) |
105 (109) |
| 16 | 16 | M16X1.5 | 6 | 6 | M5X0.8 | 12 | 17 | 8 (5.5) |
6 (5.5) |
38 | 14.2 | 5 | M6X1 | 24 | 8 | 18.3 | 16 | 13 | 56 | 10 | 9 | 9.5 | 22 | 82 | 98 | 111 |
| 20 | 20 | M22X1.5 | 8 | 8 | G1/8 | 16 | 20 | 8 | 8 | 44 | 17 | 6 | M8X1.25 | 32 | 11 | 24 | 22 | 11 | 62 | 13 | 12 | 13 | 24 | 95 | 115 | 126 |
| 25 | 22 | M22X1.5 | 10 | 8 | G1/8 | 16 | 22 | 8 | 8 | 50 | 20 | 8 | M10X1.25 | 32 | 11 | 30 | 22 | 11 | 65 | 17 | 12 | 13 | 28 | 104 | 126 | 137 |
( ): For air cushion
With Rod Boot
| Bore size/stroke/item | AM | C | e | f | K | KK | h | ||||||
| 1 to 50 | 51 to 100 | 101 to 150 | 151 to 200 | 201 to 300 | 301 to 400 | 401 to 500 | |||||||
| 20 | 20 | 8 | 36 | 22 | 6 | M8x1.25 | 71 | 84 | 96 | 109 | 134 | 159 | - |
| 25 | 22 | 10 | 36 | 22 | 8 | M10x1.25 | 74 | 87 | 99 | 112 | 137 | 162 | 187 |
(mm)
| Bore size/stroke/item | I | (JH) Reference |
(JW) Reference |
(Wh) |
||||||||||||
| 1 to 50 | 51 to 100 | 101 to 150 | 151 to 200 | 201 to 300 | 301 to 400 | 401 to 500 | 1 to 50 | 51 to 100 | 101 to 150 | 151 to 200 | 201 to 300 | 301 to 400 | 401 to 500 | |||
| 20 | 12.5 | 25 | 37.5 | 50 | 75 | 100 | - | 23.5 | 10.5 | 51 | 64 | 76 | 89 | 114 | 139 | - |
| 25 | 12.5 | 25 | 37.5 | 50 | 75 | 100 | 125 | 23.5 | 10.5 | 52 | 65 | 77 | 90 | 115 | 140 | 165 |

(mm)
| Bore Size | AM | BE | C | EE | F | G1 | G2 | H | (HR) | K | KK | KV | KW | NA | ND | S | SW | (WH) | ZZ |
| 8 | 12 | M12X1.25 | 4 | M5X0.8 | 12 | 7 | 5 | 28 | 13.4 | - | M4X0.7 | 19 | 6 | 15 | 12 | 46 | 7 | 16 | 86 |
| 10 | 12 | M12X1.25 | 4 | M5X0.8 | 12 | 7 |
5 |
28 | 14.2 | - | M4X0.7 | 19 | 6 | 15 | 12 | 46 |
7 | 16 | 86 |
| 12 | 16 | M16X1.5 | 6 | M5X0.8 | 17 | 8 |
6 |
38 | 14.2 | 5 | M6X1 | 24 | 8 | 18.3 | 16 | 5 0 |
10 | 22 | 105 |
| 16 | 16 | M16X1.5 | 6 | M5X0.8 | 17 | 8 |
6 |
38 | 14.2 | 5 | M6X1 | 24 | 8 | 18.3 | 16 | 56 | 10 | 22 | 111 |
| 20 | 20 | M22X1.5 | 8 | G1/8 | 20 | 8 | 8 | 44 | 17 | 6 | M8X1.25 | 32 | 11 | 24 | 22 | 62 | 13 | 24 | 126 |
| 25 | 22 | M22X1.5 | 10 | G1/8 | 22 | 8 | 8 | 50 | 20 | 8 | M10X1.25 | 32 | 11 | 30 | 22 | 65 | 17 | 28 | 137 |
With Rod Boot
| Bore size/stroke/item | AM | C | e | f | K | KK | h | ||||||
| 1 to 50 | 51 to 100 | 101 to 150 | 151 to 200 | 201 to 300 | 301 to 400 | 401 to 500 | |||||||
| 20 | 20 | 8 | 36 | 22 | 6 | M8x1.25 | 71 | 84 | 96 | 109 | 134 | 159 | - |
| 25 | 22 | 10 | 36 | 22 | 8 | M10x1.25 | 74 | 87 | 99 | 112 | 137 | 162 | 187 |
| Bore size/stroke/item | I | (JH) Reference |
(JW) Reference |
(Wh) |
||||||||||||
| 1 to 50 | 51 to 100 | 101 to 150 | 151 to 200 | 201 to 300 | 301 to 400 | 401 to 500 | 1 to 50 | 51 to 100 | 101 to 150 | 151 to 200 | 201 to 300 | 301 to 400 | 401 to 500 | |||
| 20 | 12.5 | 25 | 37.5 | 50 | 75 | 100 | - | 23.5 | 10.5 | 51 | 64 | 76 | 89 | 114 | 139 | - |
| 25 | 12.5 | 25 | 37.5 | 50 | 75 | 100 | 125 | 23.5 | 10.5 | 52 | 65 | 77 | 90 | 115 | 140 | 165 |

(mm)
| Bore Size | AM | BE | C | EE | F | G1 | G2 | H | (HR) | K | KK | KV | KW | NA | ND | S | SW | (WH) | Z |
| 8 | 12 | M12X1.25 | 4 | M5X0.8 | 12 | 7 | 5 | 28 | 13.4 | - | M4X0.7 | 19 | 6 | 15 | 12 | 46 | 7 | 16 | 74 |
| 10 | 12 | M12X1.25 | 4 | M5X0.8 | 12 | 7 |
5 |
28 | 14.2 | - | M4X0.7 | 19 | 6 | 15 | 12 | 46 |
7 | 16 | 74 |
| 12 | 16 | M16X1.5 | 6 | M5X0.8 | 17 | 8 |
6 |
38 | 14.2 | 5 | M6X1 | 24 | 8 | 18.3 | 16 | 5 0 |
10 | 22 | 88 |
| 16 | 16 | M16X1.5 | 6 | M5X0.8 | 17 | 8 |
6 |
38 | 14.2 | 5 | M6X1 | 24 | 8 | 18.3 | 16 | 56 | 10 | 22 | 88 |
| 20 | 20 | M22X1.5 | 8 | G1/8 | 20 | 8 | 8 | 44 | 17 | 6 | M8X1.25 | 32 | 11 | 24 | 22 | 62 | 13 | 24 | 106 |
| 25 | 22 | M22X1.5 | 10 | G1/8 | 22 | 8 | 8 | 50 | 20 | 8 | M10X1.25 | 32 | 11 | 30 | 22 | 65 | 17 | 28 | 115 |
(mm)
| Bore size/stroke/item | AM | C | e | f | K | KK | h | ||||||
| 1 to 50 | 51 to 100 | 101 to 150 | 151 to 200 | 201 to 300 | 301 to 400 | 401 to 500 | |||||||
| 20 | 20 | 8 | 36 | 22 | 6 | M8x1.25 | 71 | 84 | 96 | 109 | 134 | 159 | - |
| 25 | 22 | 10 | 36 | 22 | 8 | M10x1.25 | 74 | 87 | 99 | 112 | 137 | 162 | 187 |
(mm)
| Bore size/stroke/item | I | (JH) Reference |
(JW) Reference |
(Wh) |
||||||||||||
| 1 to 50 | 51 to 100 | 101 to 150 | 151 to 200 | 201 to 300 | 301 to 400 | 401 to 500 | 1 to 50 | 51 to 100 | 101 to 150 | 151 to 200 | 201 to 300 | 301 to 400 | 401 to 500 | |||
| 20 | 12.5 | 25 | 37.5 | 50 | 75 | 100 | - | 23.5 | 10.5 | 51 | 64 | 76 | 89 | 114 | 139 | - |
| 25 | 12.5 | 25 | 37.5 | 50 | 75 | 100 | 125 | 23.5 | 10.5 | 52 | 65 | 77 | 90 | 115 | 140 | 165 |